Ignition Coil C90i-WG

This single fire coil was developed for the use e.g. in GDI (turbocharged) high performance engines. It is designed to connect a high voltage wire on the coil.

The main benefit of this high performance coil is its high energy capability.

Downloads

Features

  • Max. 35 kV
  • Min. 90 mJ
  • Connection for high voltage wire
  • Max. 15,000 1/min
  • Developed for Turbo-GDI engines

Application

Spark energy

≥ 90 mJ

Primary current

≤ 16 A

Operating temperature range outer core

0 to 160°C

Storage temperature range

-40 to 100°C

Max. vibration

≤ 250 m/s2 at 50 to 2,000 Hz

Technical Specifications

Mechanical Data

Length

83 mm

Weight w/o wire

210 g

Mounting

screw fastening

Electrical Data

Primary resistance

185 mOhm

Secondary resistance

Incapable of measurement

High voltage rise time

≤ 5.0 kV/µs

Max. high voltage

≤ 35 kV

Spark current

≤ 160 mA

Spark duration at 1 kV || 1 MOhm

≤ 1.1 ms

Noise suppression

Inductive

Suppression diode / EFU

Internal

Characteristic

Measured with power stage

IGBT IRG4BC40S (Uce=600 V)

Connectors and Wires

Connector primary side

On request

Mating connector primary side

On request

Pin 1

Ubatt red

Pin 2

ECU ignition power stage blue

Pin 3

Engine GND black

Wire length

100 cm

Wire size

AWG 20/22

30 kV grid connectors

See Accessories

Various motorsport and automotive connectors are available on request.

Please specify the required wire length if you order the coil with a motorsport connector.

Characteristic dwell times [ms]

U batt

I primary

 

10 A

12 A

15 A

16 A

17 A

20 A

6 V

3.2

4.5

7.6

9.8

 

 

8 V

1.88

2.49

3.47

3.79

4.10

 

10 V

1.35

1.76

2.34

2.51

2.67

3.05

12 V

1.06

1.35

1.77

1.89

2.00

2.24

14 V

0.87

1.11

1.43

1.52

1.60

1.79

16 V

0.74

0.93

1.20

1.28

1.34

1.49

16.5 V

0.71

0.90

1.15

1.23

1.29

1.43

18 V

0.64

0.81

1.03

1.10

1.15

1.27

Measured values are without loom resistance. Loom resistance must be less than the primary resistance. The needed dwell time is to be verified through current measurement

Dwell time

Spark energy and provided high voltage

I prim.

Spark energy

-duration

-current

Hi voltage

10 A

41.4 mJ

0.74 ms

100 mA

31.6 kV

12 A

59.5 mJ

0.882 ms

122 mA

37.4 kV

15 A

84.4 mJ

1.034 ms

148 mA

45.7 kV

16 A

92.6 mJ

1.07 ms

158 mA

46 kV

17 A

100 mJ

1.09 ms

165 mA

46 kV

20 A

115 mJ

1.16 ms

190 mA

46 kV

Spark energy

Installation Notes

During mounting of the spark plug please pay attention that full clamping and proper contacts are made to ensure safe connection between coil and spark plug (high voltage wire).

This coil is only for use with engine control units having an integrated ignition power stage, e.g. IGBT IRG4BC40S or BIP.

For technical reasons the values of the coils may vary.

Please regard the specified limit values (see “Electrical Data”).

Usage above Iprim = 16 A or 35 kV may reduce the lifetime.

Please find further application hints in the offer drawing at our homepage.

 

Design Note

We strongly recommend the design of the spark plug shaft has to ensure that there are no sharp edges in the shaft geometry due to design or machining. Only in compliance with this recommendation, a proper function can be ensured.

Ordering Information

Ignition Coil C90i-WG

Order number: F02U.V02.430-01

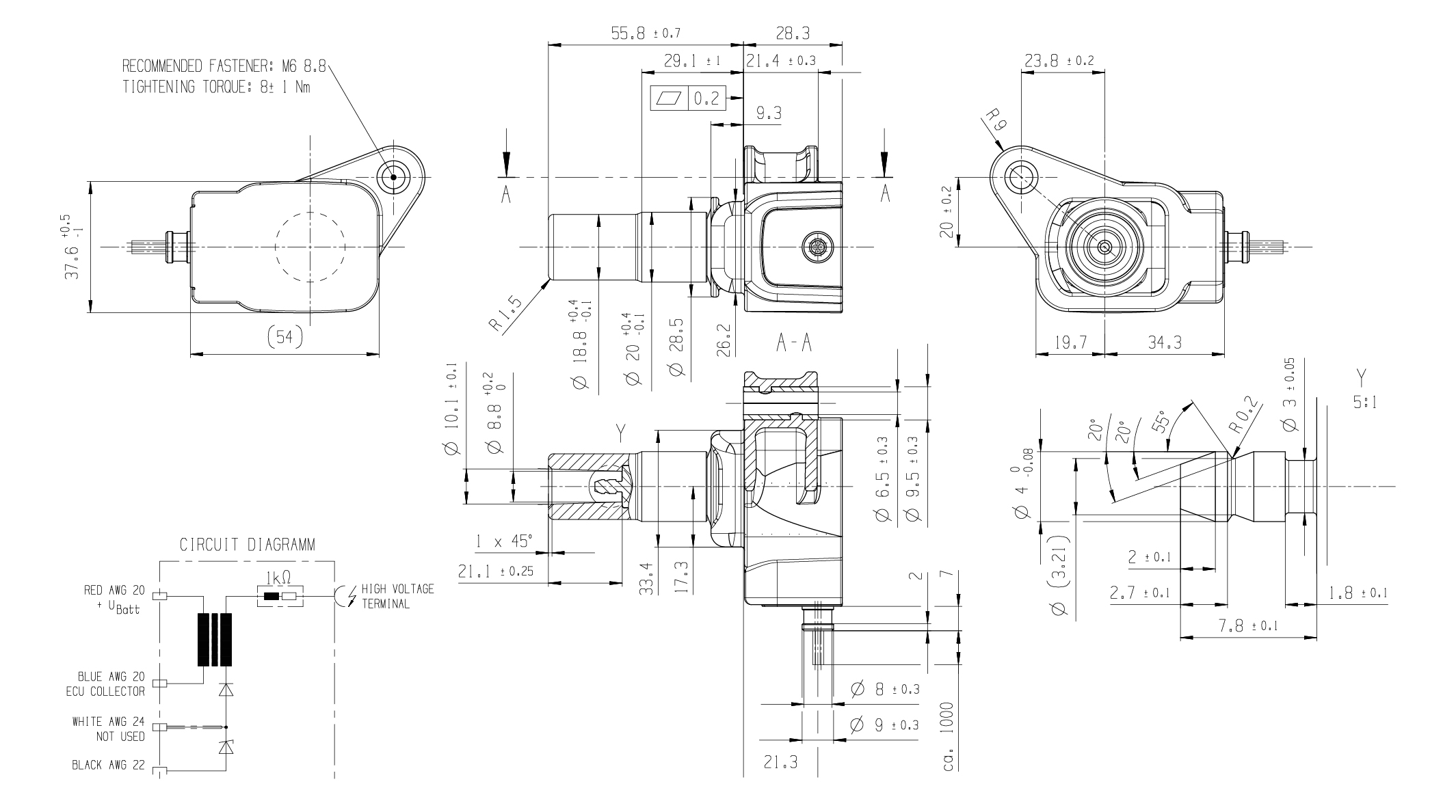
Dimensions

See Offer Drawing for further information

Legal Restrictions

Due to embargo restrictions, sale of this product in Russia, Belarus, Iran, Syria, Libya, Afghanistan, and North Korea is prohibited.