
This sensor is designed for incremental measurement of rotational speed (e.g. crankshaft or wheel speed).
Due to the rotation of a ferromagnetic target wheel in front of the HA-Di, the magnetic field of the built-in magnet is modulated at the place of the sensors diff.
The main feature and benefit of this sensor is the detection of the rotational direction.
- Downloads
- Features
- Application
- Technical Specifications
- Installation Notes
- Ordering Information
- Dimensions
- Legal Restrictions
Downloads
Features
- Max. frequency: ≤ 10 kHz
- Air gap: 0.4 to 1.0 mm
- Bore diameter: 12 mm
- Max. vibration: 1,200 m/s² at 10 Hz to 2 kHz
- Weight w/o wire: 12 g
Application
Application | Speed |
Max. frequency | ≤ 10 kHz forward |
Target wheel air gap AG | 0.4 to 1.0 mm |
Temperature range | -40 to 150°C |
Output circuit | Open collector for 1 kOhm |
External magnetic fields | ≤ 100 mT |
Max. vibration | 1,200 m/s2 at 10 Hz to 2 kHz |
Technical Specifications
Mechanical Data
Weight w/o wire | 12 g |
Mounting | Screw 1 x M5 |
Bore diameter | 12 + 0.2 mm |
Installation depth L2 | 30 mm |
Tightening torque | 6 Nm |
Electrical Data
Power supply | 5 to 16 V (24 V for max. 5 min.) |
Current IS | <20 mA |
Power-on time | 1 ms |
Characteristic
Signal output width forward | 37 to 53 μs (45) |
Signal output width backward | 75 to 105 μs (90) |
Accuracy (tolerance) | ±1.5° (for forward direction) |
Signal output | 0.52 V to < US |

Environment
Target wheel diameter D | 162.34 mm |
Thickness t | 12.5 mm |
Width of teeth b1 | 3.8 mm |
Width of gap b2 | 4.7 mm |
Width of sync. gap b3 | 20.79 mm |
Depth of teeth h | 3.4 mm |
Number of teeth | 60-2 |
Alternative Target Wheel
Target wheel diameter | 118 to 370 mm |
Width of teeth b1 | 2.2 to 3.8 mm |
Width of gap b2 | ≥4 mm |
Depth of teeth h | ≥4 mm |
Target wheel width | ≥5 mm |
Relative magnetic permeability | μ (r) ≥1000 |
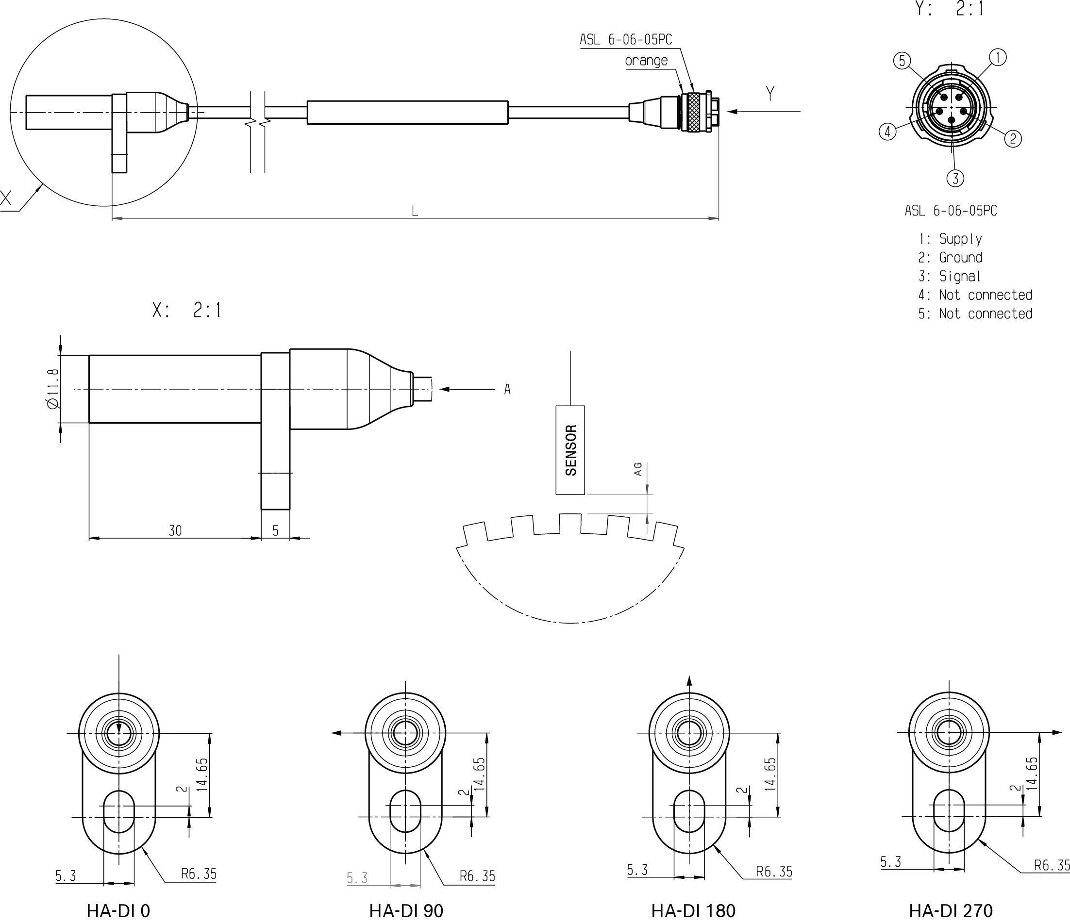
Connectors and Wires
Connector | ASL606-05PC-HE |
Mating connector | F02U.000.228-01 |
Pin 1 | US |
Pin 2 | Gnd |
Pin 3 | Sig |
Pin 4 | Nc |
Pin 5 | Nc |
Various motorsport and automotive connectors available on request. | |
Sleeve | DR-25 |
Wire size | AWG 24 |
Wire length L | 15 to 100 cm |
Please specify the required wire length with your order. | |
Installation Notes
The HA-Di is no true-power-on sensor. It needs the falling edge of trigger wheel teeth for correct working. After a time of 0.68 s without rotation of the detected wheel it needs again the falling edge of two teeth. |
Please specify the angle between the mounting and the target wheel. |
Please avoid abrupt temperature changes. |
For mounting please use only the integrated plug. |
If a wheel with different dimensions is used (see Environment), the technical function has to be tested individually. |
Please ensure that the environmental conditions do not exceed the sensor specifications. |
Please find further application hints in the offer drawing at our homepage. |
Safety Note
The sensor is not intended to be used for safety related applications without appropriate measures for signal validation in the application system. |
Ordering Information
Speed Sensor Hall-Effect HA-Di 0
Order number: F02U.V01.802-02
Speed Sensor Hall-Effect HA-Di 90
Order number: F02U.V01.803-02
Speed Sensor Hall-Effect HA-Di 180
Order number: F02U.V01.804-02
Speed Sensor Hall-Effect HA-Di 270
Order number: F02U.V01.805-02
Dimensions


Legal Restrictions
Due to embargo restrictions, sale of this product in Russia, Belarus, Iran, Syria, Libya, Afghanistan, and North Korea is prohibited.
